DIN434 -2000 槽钢用方斜垫圈
单位:mm
A:产品标准:DIN434 -2000;
B:产品材料等级:碳钢65Mn,304,316等等材质;
C:表面处理:白锌,蓝白锌,黑锌,彩锌,彩锌(三价),发黑,锌镍合金,热镀锌,达克罗,镀银,镀铜,镀镍等。
D:应用行业:汽车及汽车新能源,军工航天,船舶重工,医疗器械,食品机械,电子通信设备,风力发电,环保设备,农用机械等等。
E:技术文献;ISO898,ISO3506(GB3098),ISO4042/(GB5267.1),GB3098等;
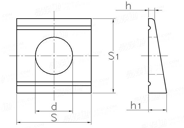
| 螺纹规格 | M8 | M10 | M12 | M16 | M20 | M22 | M24 | M27 | |
| d | |||||||||
| d | 最小值=公称 | 9 | 11 | 13.5 | 17.5 | 22 | 24 | 26 | 30 |
| 最大值 | 9.36 | 11.43 | 13.93 | 17.93 | 22.52 | 24.52 | 26.52 | 30.52 | |
| s | 公称 | 22 | 22 | 26 | 32 | 40 | 44 | 56 | 56 |
| 最小值 | 20 | 20 | 24 | 29.5 | 37.5 | 41.5 | 53 | 53 | |
| 最大值 | 24 | 24 | 28 | 34.5 | 42.5 | 46.5 | 59 | 59 | |
| s1 | 公称 | 22 | 22 | 30 | 36 | 44 | 50 | 56 | 56 |
| 最小值 | 21.35 | 21.35 | 29.35 | 35.2 | 43.2 | 49.2 | 55.05 | 55.05 | |
| 最大值 | 22.65 | 22.65 | 30.65 | 36.8 | 44.8 | 50.8 | 56.95 | 56.95 | |
| h1 | 公称 | 3.8 | 3.8 | 4.9 | 5.9 | 7 | 8 | 8.5 | 8.5 |
| 最小值 | 3.2 | 3.2 | 3.9 | 4.9 | 6 | 7 | 7.3 | 7.3 | |
| 最大值 | 4.4 | 4.4 | 5.9 | 6.9 | 8 | 9 | 9.7 | 9.7 | |
| 千件重(钢制)≈kg | 9.57 | 8.85 | 18.2 | 31.4 | 56.9 | 82.3 | 128 | 119 |
A:产品标准:DIN434 -2000;
B:产品材料等级:碳钢65Mn,304,316等等材质;
C:表面处理:白锌,蓝白锌,黑锌,彩锌,彩锌(三价),发黑,锌镍合金,热镀锌,达克罗,镀银,镀铜,镀镍等。
D:应用行业:汽车及汽车新能源,军工航天,船舶重工,医疗器械,食品机械,电子通信设备,风力发电,环保设备,农用机械等等。
E:技术文献;ISO898,ISO3506(GB3098),ISO4042/(GB5267.1),GB3098等;
固乔工业科技(上海)有限公司
联系人:饶先生
电话:021-67655320/13761184330
传真:021-57770319
邮箱:shguqiao@126.com
地址:上海市松江区方塔北路638号5幢
MAP 公司地图

















